加载中
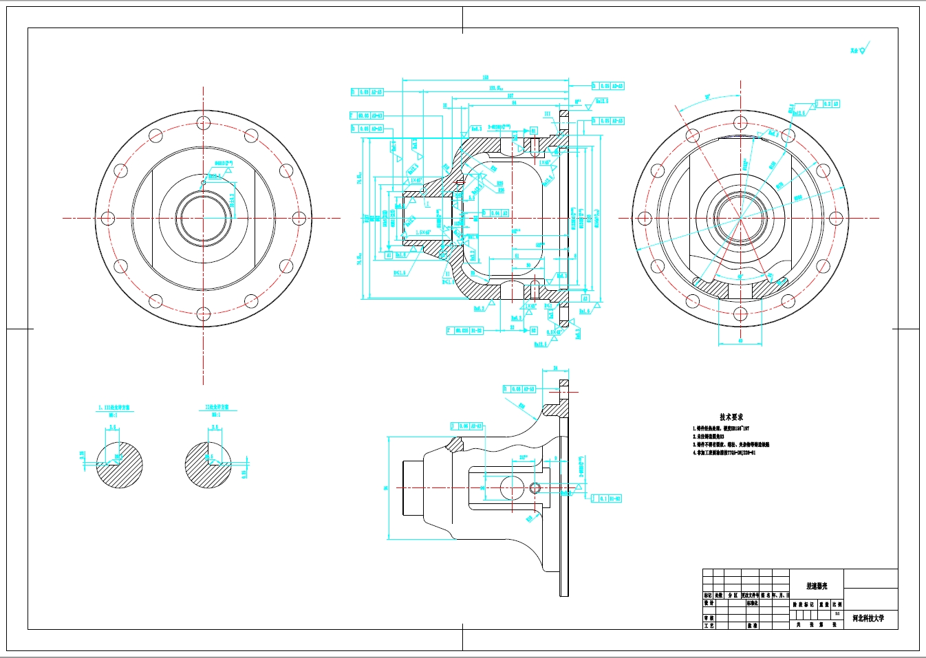
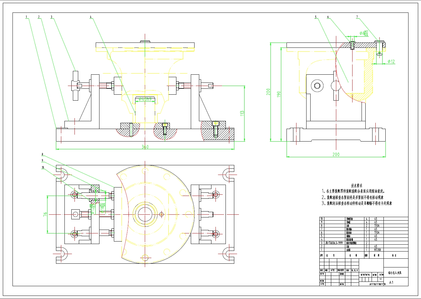
机械制造工程学差速器壳工序65设计+CAD+说明书(ID:616601)
免责申明: 本网站模型由用户自行上传,如权利人发现存在误传其作品情形,请及时与本站联系。
立即下载
此图纸下载需要500金币
图纸ID:616601
文件大小:2.97M
软件版本:AUTOCAD 2018
图纸格式:dwg,pdf
参数/编辑:可修改,包括参数
上传时间:2024-09-02
图纸介绍:
发布者
屿双网uyjq
作品: 5522
粉丝: 2
作者其它图纸
查看更多
重载搬运机器人+CAD+说明书
AUTOCAD,SOLIDWORKS
2024-09-04 16:55
卧式饲料搅拌机
SOLIDWORKS,STEP
2024-09-04 12:14
糕点切片机三维SW2020带参+说明书
SOLIDWORKS,STEP,PARASOLID
2024-07-31 21:08
履带自走式除草机三维SW2020带参+CAD+说明书
AUTOCAD,SOLIDWORKS,STEP
2024-09-02 20:46
双轴跟踪光伏支架
SOLIDWORKS
2024-09-04 11:20
晶圆芯片光刻机
SOLIDWORKS
2024-08-01 22:10
猜你喜欢
果园避障除草机的设计三维+CAD+说明书
STEP,AUTOCAD,SOLIDWORKS
2024-09-02 13:04
剪式升降平台可旋转
SOLIDWORKS
2024-08-01 17:23
vario变速器cvt crs
SOLIDWORKS,STEP
2025-09-04 15:40
小保险丝MEGA 250A
IGS,SOLIDWORKS,STEP
2025-04-25 16:09
多层商住楼建筑图
AUTOCAD
2025-04-11 23:56
提示
×

下载该图档需要消耗500金币!

确认下载
客服
TOP