加载中
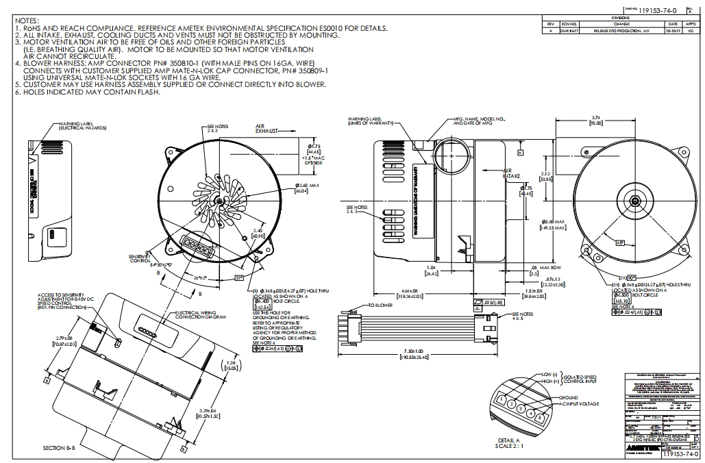
风机119153-74-0-SH1(ID:631504)
免责申明: 本网站模型由用户自行上传,如权利人发现存在误传其作品情形,请及时与本站联系。
立即下载
此图纸下载需要10金币
图纸ID:631504
文件大小:6.62M
软件版本:SOLIDWORKS 2018,STEP
图纸格式:sldasm,step,pdf
参数/编辑:可修改,包括参数
上传时间:2024-12-08
图纸介绍:
发布者
屿双网jkkr
作品: 7504
粉丝: 2
作者其它图纸
查看更多
XY轴丝杆伺服移动平台
SOLIDWORKS
2024-07-19 12:28
回转轴承-单列球轴承模型
SOLIDWORKS,STEP
2025-03-06 15:34
安防网络监控摄像头
SOLIDWORKS
2024-07-19 12:37
爱普生六自由度机器人
STEP,SOLIDWORKS
2024-07-19 12:36
气缸
STP
2025-03-06 11:07
齿轮齿条系统
SOLIDWORKS
2024-07-18 14:59
轴带滚珠丝杠
SOLIDWORKS,IGES,STL
2024-07-19 12:35
猜你喜欢
CF系列厨房排烟管道风机[CF3-8]
SOLIDWORKS
2025-02-23 14:00
SYDS-E离心风机[SYDS400 E]
STEP
2025-01-05 11:32
350FZY-D-87[350FZY2-D]风机
SOLIDWORKS
2025-02-23 11:55
轴向柱塞泵
IGS,SOLIDWORKS
2025-02-28 23:28
E H 系列单螺杆泵[EH375]
SOLIDWORKS
2024-12-22 15:06
南方泵CDM65-70-1-37KW-(DN100)
SOLIDWORKS
2025-02-12 20:58
GKE100L管道风机[GKE100L]
STEP
2024-12-08 13:28
涡流泵泵体
AUTOCAD
2024-01-15 11:32
提示
×

下载该图档需要消耗10金币!

确认下载
客服
TOP