加载中
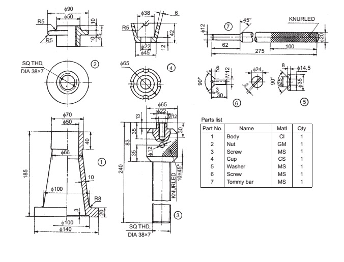
螺旋千斤顶(ID:691919)
免责申明: 本网站模型由用户自行上传,如权利人发现存在误传其作品情形,请及时与本站联系。
立即下载
此图纸下载需要10金币
图纸ID:691919
文件大小:11.65M
软件版本:CATIA
参数/编辑:可修改,包括参数
上传时间:2025-03-05
图纸介绍:
发布者
屿双网jkkr
作品: 7504
粉丝: 2
作者其它图纸
查看更多
XY轴丝杆伺服移动平台
SOLIDWORKS
2024-07-19 12:28
回转轴承-单列球轴承模型
SOLIDWORKS,STEP
2025-03-06 15:34
安防网络监控摄像头
SOLIDWORKS
2024-07-19 12:37
爱普生六自由度机器人
STEP,SOLIDWORKS
2024-07-19 12:36
齿轮齿条系统
SOLIDWORKS
2024-07-18 14:59
二级圆柱齿轮减速器
SOLIDWORKS,AUTOCAD
2025-01-09 19:11
轴带滚珠丝杠
SOLIDWORKS,IGES,STL
2024-07-19 12:35
气缸
STP
2025-03-06 11:07
猜你喜欢
三工步吸盘机匣夹具
SOLIDWORKS
2024-06-29 12:34
弹簧护罩56PSG 4
STP
2025-03-27 12:39
冲压工装方案图
PARASOLID
2024-09-11 23:23
贴附治具
SOLIDWORKS,PARASOLID
2024-07-02 06:44
电动千斤顶2
SOLIDWORKS
2024-07-16 17:08
返修工作台
SOLIDWORKS
2024-08-13 20:58
提示
×

下载该图档需要消耗10金币!

确认下载
客服
TOP