加载中
首页
图库
课设毕设
资料库
工程师
活动福利
+
发布图纸
登录
注册
账号密码登录
两周免密登录
忘记密码?
登 录
同意
《隐私协议》
和
《注册协议》
还没有账号,
去注册
账号注册
获取验证码
同意
《隐私协议》
和
《注册协议》
注册
已有账号,
去登录
微信扫码登录
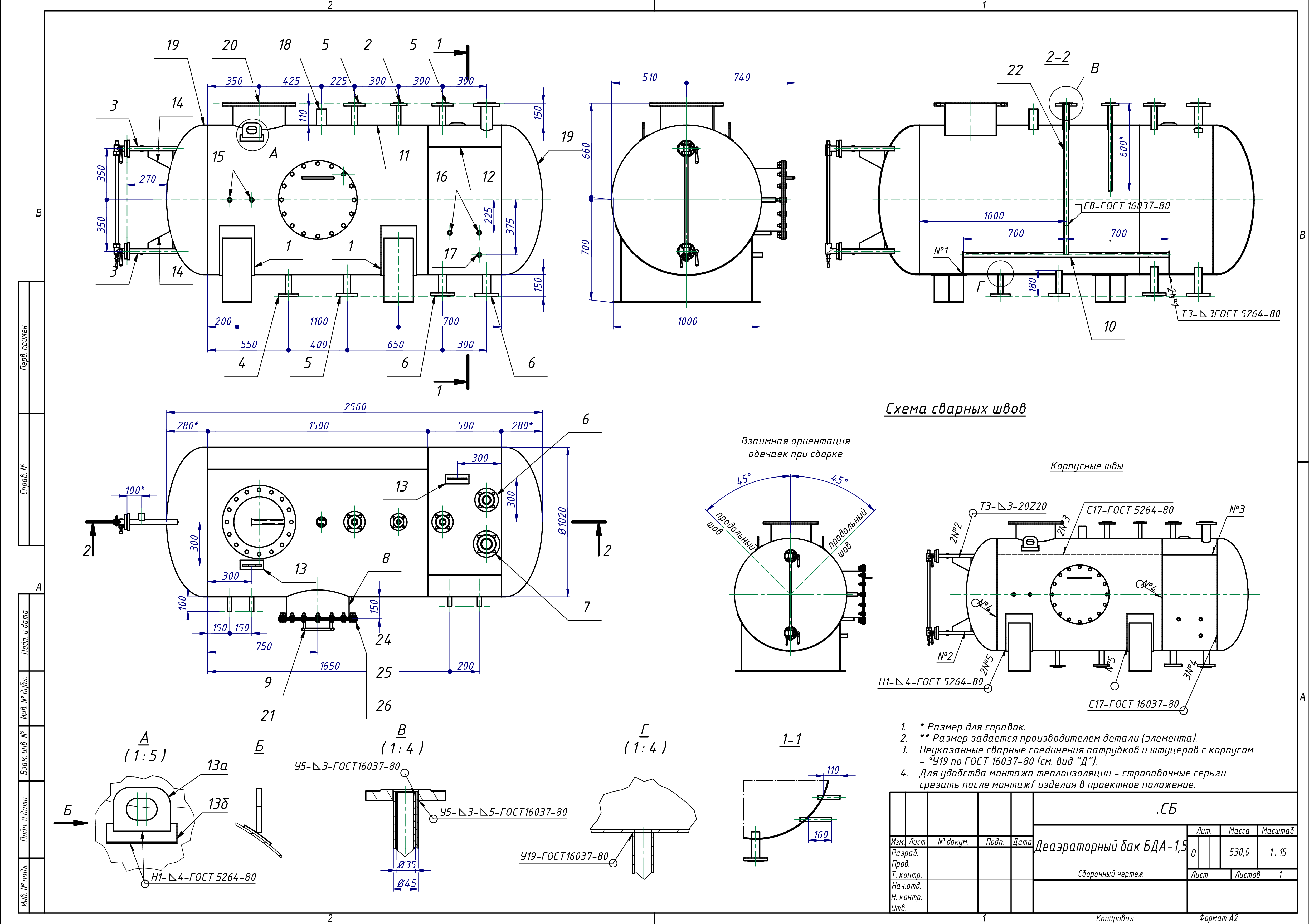
除气箱用作热力除氧部分和锅炉给水的储槽(ID:692911)
机械设备
/
化工设备
/
除气箱用作热力除氧部分和锅炉给水的储槽
161
0
0
平面图
3D视图
文件列表
屿双网
屿双网
屿双网
屿双网
屿双网
屿双网
屿双网
屿双网
屿双网
屿双网
屿双网
屿双网
屿双网
屿双网
屿双网
屿双网
屿双网
屿双网
屿双网
屿双网
屿双网
#
文件名称
文件大小
1
БДА.jpg
3.37 MB
2
БДА.stp
1.63 MB
3
БДА_СБ.png
890 KB
4
Бак 1,5.png
1.53 MB
举报/反馈
免责申明: 本网站模型由用户自行上传,如权利人发现存在误传其作品情形,请及时与本站联系。
立即下载
此图纸下载需要
10
金币
图纸ID:
692911
文件大小:
7.58M
软件版本:
STP
参数/编辑:
可修改,包括参数
上传时间:
2025-03-05
图纸介绍:
发布者
屿双网jkkr
关注
作品:
7504
粉丝:
2
作者其它图纸
查看更多
XY轴丝杆伺服移动平台
SOLIDWORKS
2024-07-19 12:28
回转轴承-单列球轴承模型
SOLIDWORKS,STEP
2025-03-06 15:34
安防网络监控摄像头
SOLIDWORKS
2024-07-19 12:37
爱普生六自由度机器人
STEP,SOLIDWORKS
2024-07-19 12:36
气缸
STP
2025-03-06 11:07
齿轮齿条系统
SOLIDWORKS
2024-07-18 14:59
RV系列蜗轮减速机[RV50-71]
STEP
2025-01-04 17:55
轴带滚珠丝杠
SOLIDWORKS,IGES,STL
2024-07-19 12:35
猜你喜欢
立式储罐爬梯
AUTOCAD
2024-05-17 15:52
常减压蒸馏-催化裂化-焦化型流程 原油加工过程原则流图
AUTOCAD
2024-01-14 23:38
E16-02-125-302B发泡充气轮[E16-02-100-302B]
SOLIDWORKS
2024-12-22 15:17
10L搪玻璃反应罐cad图CAD设计图
AUTOCAD
2024-05-30 07:42
铝制轴向电解电容器。VX系列15000uf 25v。30x60mm毫米。间距65至74毫米。电解镍镉电池
STP
2025-03-05 09:24
50立方米DN2800卧式液氨储罐
AUTOCAD
2023-12-25 13:31
22 x 30蓝黑底片电解电容器
STP
2025-03-24 10:37
水箱楼梯
SOLIDWORKS
2025-03-05 10:54
模型报错
模型报错类型:
分类错误
版本错误
雷同或版权问题,重复ID
图片与模型不一致
文件不完整
解压文件打不开或有问题
模型报错描述:
联系方式
提交报错
提示
×
下载该图档需要消耗10金币!
确认下载
我和
会话
发布私信
客服
扫码添加微信客服
签到
分享
TOP