加载中
首页
图库
课设毕设
资料库
工程师
活动福利
+
发布图纸
登录
注册
账号密码登录
两周免密登录
忘记密码?
登 录
同意
《隐私协议》
和
《注册协议》
还没有账号,
去注册
账号注册
获取验证码
同意
《隐私协议》
和
《注册协议》
注册
已有账号,
去登录
微信扫码登录
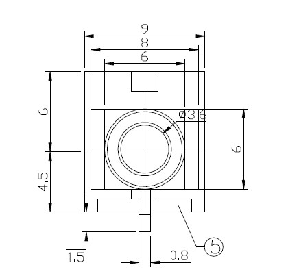
3.5毫米Eurorack单声道插孔(ID:696209)
机械设备
/
非标机械
/
3.5毫米Eurorack单声道插孔
94
0
0
平面图
3D视图
文件列表
屿双网
屿双网
屿双网
屿双网
屿双网
屿双网
屿双网
屿双网
屿双网
屿双网
屿双网
屿双网
屿双网
屿双网
屿双网
屿双网
屿双网
屿双网
屿双网
屿双网
屿双网
#
文件名称
文件大小
1
Jack.PNG
109 KB
2
Thonkicon.fbx
214 KB
3
Thonkicon.obj
336 KB
4
Thonkicon.step
226 KB
5
jack-side.jpg
29.8 KB
6
jack.jpg
23.8 KB
举报/反馈
免责申明: 本网站模型由用户自行上传,如权利人发现存在误传其作品情形,请及时与本站联系。
立即下载
此图纸下载需要
10
金币
图纸ID:
696209
文件大小:
962.51KB
软件版本:
OBJL,STEP
图纸格式:
step
参数/编辑:
可修改,不包括参数
上传时间:
2025-03-11
图纸介绍:
发布者
屿双网jkkr
关注
作品:
7504
粉丝:
2
作者其它图纸
查看更多
XY轴丝杆伺服移动平台
SOLIDWORKS
2024-07-19 12:28
回转轴承-单列球轴承模型
SOLIDWORKS,STEP
2025-03-06 15:34
安防网络监控摄像头
SOLIDWORKS
2024-07-19 12:37
爱普生六自由度机器人
STEP,SOLIDWORKS
2024-07-19 12:36
齿轮齿条系统
SOLIDWORKS
2024-07-18 14:59
气缸
STP
2025-03-06 11:07
RV系列蜗轮减速机[RV50-71]
STEP
2025-01-04 17:55
轴带滚珠丝杠
SOLIDWORKS,IGES,STL
2024-07-19 12:35
猜你喜欢
半封闭精雕机
SOLIDWORKS
2024-02-24 09:04
重型条铰组装, 适合出口装的条铰组装
STEP
2023-12-26 13:36
锁GN 115-SC-1414284100
STP
2025-02-23 21:24
DS1022彩色排针 绿色 29p 100mil 类型 SMT R2 版本1.0.zip
STEP
2025-10-31 15:59
快速夹钳HS-21383.IGS
IGS
2025-02-05 19:33
QAD系列 自动排水器[QAD402-03M]
SOLIDWORKS
2025-01-04 16:02
电磁水阀
SOLIDWORKS
2024-06-26 13:05
带燕尾榫的微型数控虎钳
STP
2025-03-27 08:45
模型报错
模型报错类型:
分类错误
版本错误
雷同或版权问题,重复ID
图片与模型不一致
文件不完整
解压文件打不开或有问题
模型报错描述:
联系方式
提交报错
提示
×
下载该图档需要消耗10金币!
确认下载
我和
会话
发布私信
客服
扫码添加微信客服
签到
分享
TOP