加载中
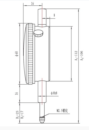
防尘千分表三维图纸(ID:721194)
免责申明: 本网站模型由用户自行上传,如权利人发现存在误传其作品情形,请及时与本站联系。
立即下载
此图纸下载需要20金币
图纸ID:721194
文件大小:27.12M
软件版本:SOLIDWORKS 2015,STEP
图纸格式:sldprt,step,sldasm
参数/编辑:可修改,包括参数
上传时间:2025-03-29
图纸介绍:
发布者
屿双网qhan
作品: 1740
粉丝: 2
作者其它图纸
查看更多
液压VMC旋转夹具
STEP,SOLIDWORKS
2024-06-29 11:05
电动滚筒
SOLIDWORKS
2025-01-16 16:00
X2527+动柱式摆头五轴加工中心
SOLIDWORKS,PARASOLID
2025-03-29 22:49
大型码垛方案
PARASOLID
2025-02-10 15:56
猜你喜欢
治具气缸2D-JDD80x15
AUTOCAD
2025-10-29 14:29
三工位焊接工作台
SOLIDWORKS,IGES,STEP
2024-01-20 08:53
90度圆柱形扭转弹簧SCT90L-3-5-0.4
SOLIDWORKS
2025-03-11 17:19
简易Weld Fixture焊接夹具
CATIA,INVENTOR,SOLIDWORKS,STEP,PARASOLID
2024-02-23 15:28
ST型阻尼弹簧减振器[ST-40]
SOLIDWORKS
2025-03-04 20:20
螺旋千斤顶设计F=45.5KN(SW+CAD+说明书)
AUTOCAD,SOLIDWORKS
2025-08-16 19:03
USB测试治具
STP
2025-07-15 22:39
提示
×

下载该图档需要消耗20金币!

确认下载
客服
TOP