加载中
首页
图库
课设毕设
资料库
工程师
活动福利
+
发布图纸
登录
注册
账号密码登录
两周免密登录
忘记密码?
登 录
同意
《隐私协议》
和
《注册协议》
还没有账号,
去注册
账号注册
获取验证码
同意
《隐私协议》
和
《注册协议》
注册
已有账号,
去登录
微信扫码登录
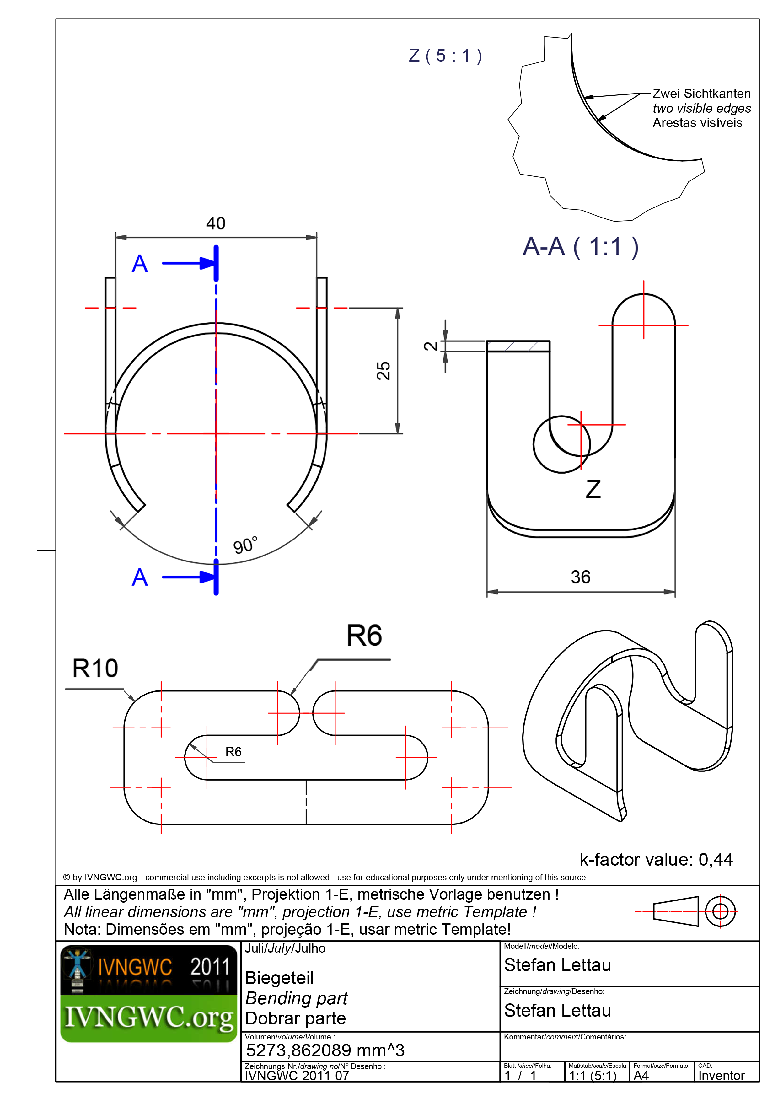
半圆抱合卡扣(ID:727989)
机械设备
/
非标机械
/
半圆抱合卡扣
85
0
0
平面图
3D视图
文件列表
屿双网
屿双网
屿双网
屿双网
屿双网
屿双网
屿双网
#
文件名称
文件大小
1
1107-IVNGWC-2011-07.png
619 KB
2
21.PNG
1.54 MB
3
钣金设计:半圆抱合卡扣.SLDPRT
223 KB
举报/反馈
免责申明: 本网站模型由用户自行上传,如权利人发现存在误传其作品情形,请及时与本站联系。
立即下载
此图纸下载需要
30
金币
图纸ID:
727989
文件大小:
2.35M
软件版本:
SOLIDWORKS 2019
图纸格式:
sldprt
参数/编辑:
可修改,包括参数
上传时间:
2025-04-10
图纸介绍:
发布者
共创未来
关注
作品:
11423
粉丝:
9
作者其它图纸
查看更多
自动称重包装机
SOLIDWORKS
2024-05-13 13:44
蔬菜清洗机
SOLIDWORKS
2024-05-13 13:47
液体自动灌装机
SOLIDWORKS
2024-05-13 13:47
螺旋输送机 - 螺旋输送机
SOLIDWORKS
2024-05-13 13:49
4 条抛丸室线的除尘系统
SOLIDWORKS
2024-06-27 13:15
机械臂夹持器
SOLIDWORKS
2024-07-20 12:48
爆米花机
SOLIDWORKS
2024-05-13 13:46
电容器系列
SOLIDWORKS
2024-06-26 16:36
猜你喜欢
单座课堂折叠椅
STEP,PARASOLID
2024-01-13 11:01
一款标签机3D图纸
STP
2025-07-12 22:13
管件
AUTOCAD
2024-01-18 02:21
PET瓶485毫升
IGS,STL,PARASOLID
2025-03-25 11:19
DS1021排针 黑色 1x16p 100mil 类型5 版本1.0.zip
STEP
2025-10-29 17:21
无人快递箱
SOLIDWORKS
2025-08-02 21:47
TR轻短型中空回转油压缸[TR-646]
SOLIDWORKS
2025-03-05 20:14
弯曲半径175内高60两侧打开型桥式拖链_DMD60BD-30-125-175R-30
SOLIDWORKS
2025-05-14 12:36
模型报错
模型报错类型:
分类错误
版本错误
雷同或版权问题,重复ID
图片与模型不一致
文件不完整
解压文件打不开或有问题
模型报错描述:
联系方式
提交报错
提示
×
下载该图档需要消耗30金币!
确认下载
我和
会话
发布私信
客服
扫码添加微信客服
签到
分享
TOP