作者其它图纸
查看更多
猜你喜欢
| # | 文件名称 | 文件大小 |
|---|---|---|
| 1 | 40mm fan louver.STL | 458 KB |
| 2 | Battery holder Makita style 2a.STL | 324 KB |
| 3 | Body1a.STL | 359 KB |
| 4 | Body4a.STL | 154 KB |
| 5 | Body5a.STL | 124 KB |
| 6 | Body6a.STL | 126 KB |
| 7 | Body7a.STL | 153 KB |
| 8 | Level Plate v1.pdf | 109 KB |
| 9 | Right side panel.STL | 316 KB |
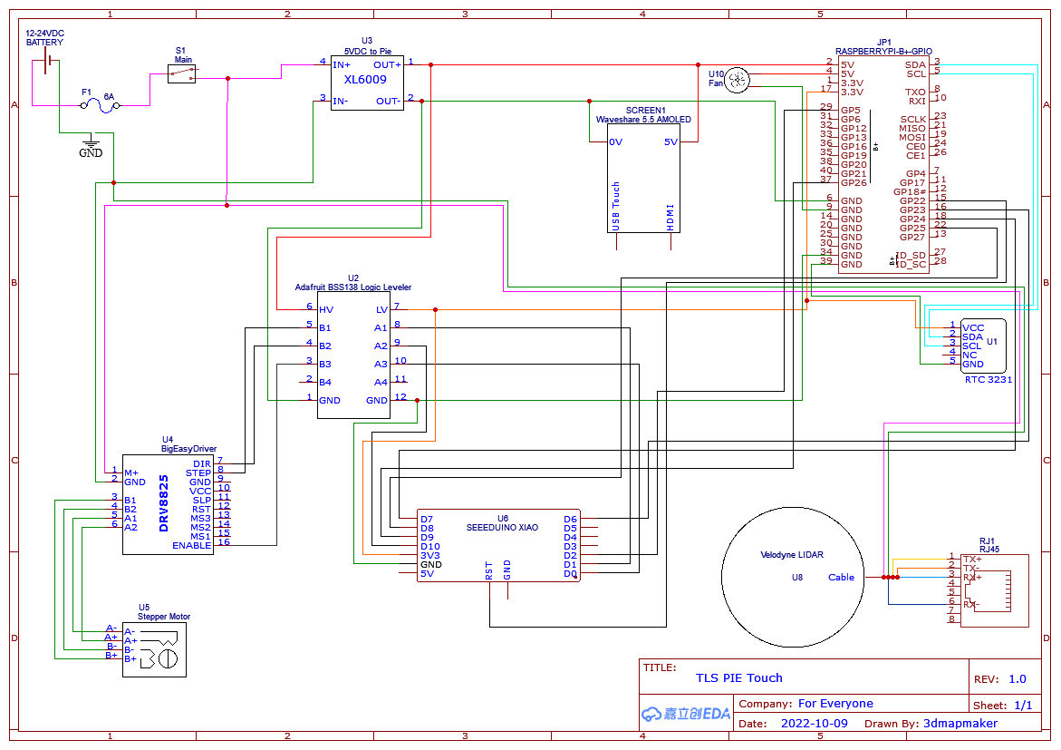
| 10 | Schematic_TLS PIE Touch_2022-10-09.pdf | 59.3 KB |
| 11 | Schematic_TLS PIE Touch_2022-10-09.png | 93.4 KB |
| 12 | Screen clamp.STL | 158 KB |
| 13 | TLS PIE Touch Lidar bracket.pdf | 135 KB |
| 14 | TLS PIE Touch battery shelf v2.pdf | 134 KB |
| 15 | TLS PIE Touch csf14 TLS bracket.pdf | 143 KB |
| 16 | TLS PIE Touch harmonic drive version.png | 1.8 MB |
| 17 | TLS PIE Touch planatary version.png | 565 KB |
| 18 | TLS PIE Touch v1 sheet one.PNG | 1.27 MB |
| 19 | TLS PIE Touch v1 sheet two.PNG | 701 KB |
| 20 | TLS PIE Touch v1.STEP | 58.5 MB |
| 21 | TLS PIE Touch v1.pdf | 330 KB |
| 22 | TLS Touch 1png.png | 1.85 MB |
| 23 | TLS Touch 2png.png | 585 KB |
| 24 | TLS Touch 3.png | 1.7 MB |
| 25 | TLS Touch 4.png | 1.73 MB |
| 26 | bearing box clamp.STL | 88.8 KB |
| 27 | csf-14 to tripod.pdf | 193 KB |
| 28 | fan plate.STL | 109 KB |
| 29 | left side cover for gearhead.STL | 239 KB |
| 30 | left side cover.STL | 218 KB |
| 31 | machined parts.jpg | 3.15 MB |
| 32 | v1 gear motor mount.pdf | 148 KB |
下载该图档需要消耗21金币!