加载中
首页
图库
课设毕设
资料库
工程师
活动福利
+
发布图纸
登录
注册
账号密码登录
两周免密登录
忘记密码?
登 录
同意
《隐私协议》
和
《注册协议》
还没有账号,
去注册
账号注册
获取验证码
同意
《隐私协议》
和
《注册协议》
注册
已有账号,
去登录
微信扫码登录
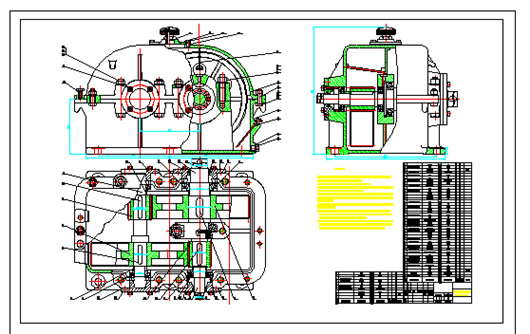
同轴式二级斜齿轮减速器(ID:731045)
设备部件
/
电机减速机
/
同轴式二级斜齿轮减速器
85
0
0
平面图
文件列表
屿双网
屿双网
屿双网
屿双网
屿双网
屿双网
#
文件名称
文件大小
1
同轴式二级斜齿减速器装配图.dwg
342 KB
2
同轴式二级斜齿轮减速器.png
66.2 KB
3
外形.png
91.1 KB
举报/反馈
免责申明: 本网站模型由用户自行上传,如权利人发现存在误传其作品情形,请及时与本站联系。
立即下载
此图纸下载需要
21
金币
图纸ID:
731045
文件大小:
441.22KB
软件版本:
AUTOCAD 2007
图纸格式:
dwg
参数/编辑:
可修改,包括参数
上传时间:
2025-04-12
图纸介绍:
发布者
共创未来
关注
作品:
11423
粉丝:
9
作者其它图纸
查看更多
蔬菜清洗机
SOLIDWORKS
2024-05-13 13:47
自动称重包装机
SOLIDWORKS
2024-05-13 13:44
液体自动灌装机
SOLIDWORKS
2024-05-13 13:47
4 条抛丸室线的除尘系统
SOLIDWORKS
2024-06-27 13:15
机械臂夹持器
SOLIDWORKS
2024-07-20 12:48
电容器系列
SOLIDWORKS
2024-06-26 16:36
爆米花机
SOLIDWORKS
2024-05-13 13:46
气缸型CH-10247-A快速夹钳
STEP
2024-06-26 21:55
猜你喜欢
ZQ-35-1(50)-II-Z减速机.ipt
INVENTOR
2025-05-26 11:18
直驱直线电机轴TPA-LNP2-170-35C4-1-L1740-3-C-05-N3
STEP
2025-06-10 09:16
伺服电机100W (低惯量)40框号系列机种图纸
AUTOCAD
2024-06-29 20:08
KADR047盘式转角斜齿精密行星减速机[KADR-047-L1/4]
SOLIDWORKS
2024-12-25 21:36
K97底脚轴伸式安装螺旋锥齿轮减速机K97-YV0.75-8P-152.31-M1-0°-A
SOLIDWORKS
2025-04-30 12:34
变频减速电机F750RT01-L-5~36
STP
2025-04-07 09:48
FESTO伺服马达EMMS-AS-140-L-HS-RR
STP
2025-03-30 23:19
GV立式-高速比-三相、单相标准型(刹车)齿轮减速机变频调速电机马达[GV-28-100W-250-B-B-G1-LD-H0]
SOLIDWORKS
2025-07-21 17:48
模型报错
模型报错类型:
分类错误
版本错误
雷同或版权问题,重复ID
图片与模型不一致
文件不完整
解压文件打不开或有问题
模型报错描述:
联系方式
提交报错
提示
×
下载该图档需要消耗21金币!
确认下载
我和
会话
发布私信
客服
扫码添加微信客服
签到
分享
TOP