加载中
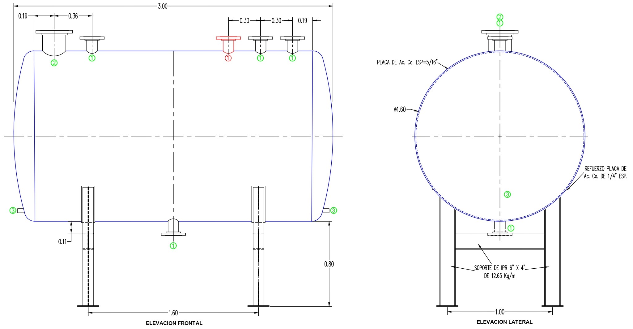
冷凝液接收罐5500升(ID:740957)
免责申明: 本网站模型由用户自行上传,如权利人发现存在误传其作品情形,请及时与本站联系。
立即下载
此图纸下载需要10金币
图纸ID:740957
文件大小:8.63M
软件版本:IGS,INVENTOR,STP
图纸格式:igs,ipt
参数/编辑:可修改,包括参数
上传时间:2025-04-23
图纸介绍:
发布者
屿双网jkkr
作品: 7504
粉丝: 2
作者其它图纸
查看更多
XY轴丝杆伺服移动平台
SOLIDWORKS
2024-07-19 12:28
回转轴承-单列球轴承模型
SOLIDWORKS,STEP
2025-03-06 15:34
安防网络监控摄像头
SOLIDWORKS
2024-07-19 12:37
爱普生六自由度机器人
STEP,SOLIDWORKS
2024-07-19 12:36
齿轮齿条系统
SOLIDWORKS
2024-07-18 14:59
轴带滚珠丝杠
SOLIDWORKS,IGES,STL
2024-07-19 12:35
气缸
STP
2025-03-06 11:07
二级圆柱齿轮减速器
SOLIDWORKS,AUTOCAD
2025-01-09 19:11
猜你喜欢
ECB14-1750L直线模组
STP
2025-05-14 14:33
QGN10.0钢管内壁抛丸清理机
AUTOCAD
2024-01-12 19:57
23米直径机械加速澄清池
AUTOCAD
2024-06-03 18:45
地脚杯M16-60-150(轻、中载)
SOLIDWORKS
2024-12-01 19:56
A3 双液点胶阀
SOLIDWORKS
2025-06-23 19:37
旋风分离器模型设计
AUTOCAD
2024-01-21 02:15
自动锁螺丝组装机
STEP
2024-01-16 09:36
提示
×

下载该图档需要消耗10金币!

确认下载
客服
TOP