加载中
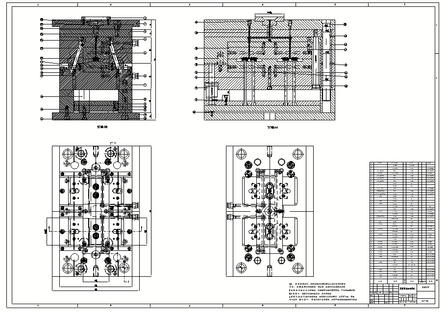
隐形盒眼镜注塑模(ID:774401)
免责申明: 本网站模型由用户自行上传,如权利人发现存在误传其作品情形,请及时与本站联系。
立即下载
此图纸下载需要280金币
图纸ID:774401
文件大小:16.38M
软件版本:UG,AUTOCAD 2007
图纸格式:pdf,prt,dwg
参数/编辑:可修改,包括参数
上传时间:2025-05-26
图纸介绍:内含三维模型及二维图,三维模型格式为UG 10.0,内含参数可编辑,二维图为CAD格式。如需对应论文,可加QQ:1637320158 私聊联系。
发布者
屿双网xbfv
作品: 0
粉丝: 0
作者其它图纸
查看更多
茶叶揉捻机三维SW
SOLIDWORKS 2016
2025-05-26 21:36
高压线除冰机-SW+CAD+论文
AUTOCAD,SOLIDWORKS
2025-07-08 00:00
苹果采摘机三维SW+二维CAD
SOLIDWORKS,AUTOCAD
2025-05-26 21:28
水稻收割机-三维sw+二维CAD+设计说明书
AUTOCAD,SOLIDWORKS,STP
2025-07-06 00:59
瓜果切片切丝机-三维SW+二维CAD+论文
SOLIDWORKS,AUTOCAD
2025-07-16 20:00
电动压缩垃圾桶三维SW
SOLIDWORKS 2016
2025-05-26 21:33
图书归纳机-SW+CAD+论文
SOLIDWORKS,AUTOCAD
2025-07-08 00:34
猜你喜欢
ECB10-350-RD直线模组
STP
2025-05-14 14:02
脚杯WAL02-D120-M24-L100
STP
2025-06-12 10:34
CDMF32-140
UG
2025-02-13 09:35
产品装配工装3D模型
STEP
2025-07-08 00:18
20-5C1上银KK直线模组
STP
2025-02-27 17:04
机柜(储物柜)
STL
2025-07-25 12:33
传送带
SOLIDWORKS,UG
2024-01-11 17:08
提示
×

下载该图档需要消耗280金币!

确认下载
客服
TOP