加载中
首页
图库
课设毕设
资料库
工程师
活动福利
+
发布图纸
登录
注册
账号密码登录
两周免密登录
忘记密码?
登 录
同意
《隐私协议》
和
《注册协议》
还没有账号,
去注册
账号注册
获取验证码
同意
《隐私协议》
和
《注册协议》
注册
已有账号,
去登录
微信扫码登录
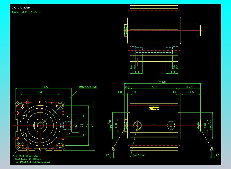
治具气缸2D-JDD50x35(ID:827282)
设备部件
/
工器具
/
治具气缸2D-JDD50x35
34
0
0
平面图
文件列表
屿双网
屿双网
#
文件名称
文件大小
1
治具气缸2D-JDD50x35.dwg
59.5 KB
举报/反馈
免责申明: 本网站模型由用户自行上传,如权利人发现存在误传其作品情形,请及时与本站联系。
免费下载
此图纸可免费下载
图纸ID:
827282
文件大小:
20.72KB
软件版本:
AUTOCAD 2000
图纸格式:
dwg
参数/编辑:
可修改,包括参数
上传时间:
2025-10-29
图纸介绍:
发布者
屿双网小匠
关注
作品:
13827
粉丝:
65
作者其它图纸
查看更多
机械设计最强自动计算公式表格【免费】【工程师必备】
Excel设计计算表格
2024-08-06 17:11
【solidwroks机械设计插件】嘉立创Ican工具箱【免费下载,免费使用】
SW插件工具箱
2025-11-08 16:39
SolidWorks设计的AR15步枪3D模型
SOLIDWORKS,STEP,PARASOLID,UG
2024-05-20 00:45
小米汽车su7 三维模型
STEP,3DMAX,BLENDER
2024-04-09 01:39
塑料铺设农机结构
STEP,SOLIDWORKS
2024-02-27 00:57
CNC 三轴模型
SOLIDWORKS,STL
2024-05-27 20:42
同步轮同步带直线滑台模组
SOLIDWORKS,STEP,PARASOLID
2024-01-09 01:27
1比35 虎式坦克
STEP,SOLIDWORKS
2024-03-01 16:29
猜你喜欢
防护罩注塑模具设计
UG
2024-12-29 13:49
游标卡尺1
AUTOCAD
2024-01-15 20:16
冷却器水管机加四轴夹具
PARASOLID
2024-09-06 01:16
胶壳校正治具03-PACE E406
SOLIDWORKS
2023-12-25 22:49
gsb18-b-b-s170_asm氮气弹簧
STP
2025-04-23 16:13
后稳定杆支座夹具三维SW2016带参+CAD+说明书
AUTOCAD,STEP,SOLIDWORKS,PARASOLID
2024-09-04 15:47
弯管工装
AUTOCAD
2024-04-20 10:50
压装工装
SOLIDWORKS
2026-02-05 22:52
模型报错
模型报错类型:
分类错误
版本错误
雷同或版权问题,重复ID
图片与模型不一致
文件不完整
解压文件打不开或有问题
模型报错描述:
联系方式
提交报错
提示
×
下载该图档需要消耗0金币!
确认下载
我和
会话
发布私信
客服
扫码添加微信客服
签到
分享
TOP