加载中
首页
图库
课设毕设
资料库
工程师
活动福利
+
发布图纸
登录
注册
账号密码登录
两周免密登录
忘记密码?
登 录
同意
《隐私协议》
和
《注册协议》
还没有账号,
去注册
账号注册
获取验证码
同意
《隐私协议》
和
《注册协议》
注册
已有账号,
去登录
微信扫码登录
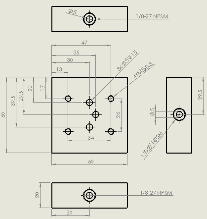
阀板 NG 6(ID:841057)
机械设备
/
非标机械
/
阀板 NG 6
12
0
0
平面图
3D视图
文件列表
屿双网
屿双网
屿双网
屿双网
屿双网
屿双网
屿双网
屿双网
屿双网
屿双网
屿双网
屿双网
屿双网
屿双网
屿双网
屿双网
屿双网
屿双网
屿双网
#
文件名称
文件大小
1
1.png
7.93 KB
2
2.png
42.2 KB
3
valve plate ng 6.SLDDRW
143 KB
4
valve plate ng 6.SLDPRT
128 KB
举报/反馈
免责申明: 本网站模型由用户自行上传,如权利人发现存在误传其作品情形,请及时与本站联系。
立即下载
此图纸下载需要
10
金币
图纸ID:
841057
文件大小:
329.7KB
软件版本:
SOLIDWORKS 2018
图纸格式:
sldprt
参数/编辑:
可修改,包括参数
上传时间:
2025-12-30
图纸介绍:
发布者
屿双网gqns
关注
作品:
20
粉丝:
0
作者其它图纸
查看更多
指关节繁荣卡车_繁重的举重和加载解决方案
SOLIDWORKS
2025-09-23 10:42
电热水壶
SOLIDWORKS
2025-12-26 05:48
轮毂电机
SOLIDWORKS
2024-11-15 14:30
密封圈上料机构
SOLIDWORKS,STEP,PARASOLID
2025-12-11 15:53
双转盘串联视觉检测机构
SOLIDWORKS,STEP,PARASOLID
2025-12-13 04:44
2轴太阳能电池板跟踪
SOLIDWORKS
2025-04-08 22:04
牲畜拖车
PARASOLID
2025-09-28 10:06
塔式起重机_汽车起重机
AUTOCAD
2025-08-27 14:09
猜你喜欢
弯曲半径125内高45两侧打开型封闭式拖链_DMD45CD-45-150-125R-30
SOLIDWORKS
2025-05-14 11:23
小型裁端機 桌上型裁端剔PIN機
SOLIDWORKS,AUTOCAD
2024-07-01 11:27
夹钳系列设计 (85)
IGES,SOLIDWORKS,STEP,PARASOLID
2024-06-28 20:11
建模练习题
SOLIDWORKS,PARASOLID
2024-01-10 22:35
真空吸盘ZPT08BSK10_04_A8
SOLIDWORKS,STEP
2025-05-28 23:18
潜伏式AGV_驱动减震单元
SOLIDWORKS
2024-02-28 10:28
狄拉克锁,1-50型
INVENTOR
2025-03-27 10:37
导线焊接机
SOLIDWORKS
2024-01-23 18:21
模型报错
模型报错类型:
分类错误
版本错误
雷同或版权问题,重复ID
图片与模型不一致
文件不完整
解压文件打不开或有问题
模型报错描述:
联系方式
提交报错
提示
×
下载该图档需要消耗10金币!
确认下载
我和
会话
发布私信
客服
扫码添加微信客服
签到
分享
TOP