加载中
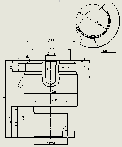
高压液压缸 95x80x21.5 mm(ID:845760)
免责申明: 本网站模型由用户自行上传,如权利人发现存在误传其作品情形,请及时与本站联系。
立即下载
此图纸下载需要10金币
图纸ID:845760
文件大小:1.27M
软件版本:SOLIDWORKS 2018
图纸格式:sldprt,sldasm
参数/编辑:可修改,包括参数
上传时间:2026-02-05
图纸介绍:
发布者
屿双网gqns
作品: 20
粉丝: 0
作者其它图纸
查看更多
电热水壶
SOLIDWORKS
2025-12-26 05:48
轮毂电机
SOLIDWORKS
2024-11-15 14:30
密封圈上料机构
SOLIDWORKS,STEP,PARASOLID
2025-12-11 15:53
双转盘串联视觉检测机构
SOLIDWORKS,STEP,PARASOLID
2025-12-13 04:44
2轴太阳能电池板跟踪
SOLIDWORKS
2025-04-08 22:04
牲畜拖车
PARASOLID
2025-09-28 10:06
塔式起重机_汽车起重机
AUTOCAD
2025-08-27 14:09
提示
×

下载该图档需要消耗10金币!

确认下载
客服
TOP