加载中
首页
图库
课设毕设
资料库
工程师
活动福利
+
发布图纸
登录
注册
账号密码登录
两周免密登录
忘记密码?
登 录
同意
《隐私协议》
和
《注册协议》
还没有账号,
去注册
账号注册
获取验证码
同意
《隐私协议》
和
《注册协议》
注册
已有账号,
去登录
微信扫码登录
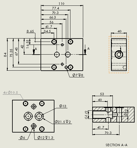
液压块 (2)(ID:846123)
设备部件
/
液压气动元件
/
液压块 (2)
2
0
0
平面图
3D视图
文件列表
屿双网
屿双网
屿双网
屿双网
屿双网
屿双网
屿双网
屿双网
屿双网
屿双网
屿双网
屿双网
屿双网
屿双网
屿双网
屿双网
屿双网
#
文件名称
文件大小
1
1.png
11 KB
2
1770718974362875.zip
334 KB
3
Block.SLDPRT
166 KB
4
Draw1.SLDDRW
157 KB
举报/反馈
免责申明: 本网站模型由用户自行上传,如权利人发现存在误传其作品情形,请及时与本站联系。
立即下载
此图纸下载需要
10
金币
图纸ID:
846123
文件大小:
342.16KB
软件版本:
SOLIDWORKS 2018
图纸格式:
sldprt
参数/编辑:
可修改,包括参数
上传时间:
2026-02-10
图纸介绍:
发布者
屿双网gqns
关注
作品:
20
粉丝:
0
作者其它图纸
查看更多
指关节繁荣卡车_繁重的举重和加载解决方案
SOLIDWORKS
2025-09-23 10:42
电热水壶
SOLIDWORKS
2025-12-26 05:48
轮毂电机
SOLIDWORKS
2024-11-15 14:30
密封圈上料机构
SOLIDWORKS,STEP,PARASOLID
2025-12-11 15:53
双转盘串联视觉检测机构
SOLIDWORKS,STEP,PARASOLID
2025-12-13 04:44
2轴太阳能电池板跟踪
SOLIDWORKS
2025-04-08 22:04
牲畜拖车
PARASOLID
2025-09-28 10:06
塔式起重机_汽车起重机
AUTOCAD
2025-08-27 14:09
猜你喜欢
3A210-08电磁阀[3A210-08]
SOLIDWORKS
2024-08-10 10:48
气缸MA16x75SCA
SOLIDWORKS,STEP
2025-06-11 14:29
液压旋转软管
INVENTOR,STEP
2024-08-04 07:19
气缸TN10X20S
STEP,SOLIDWORKS
2025-06-11 15:33
气缸ACQ63x50SB
SOLIDWORKS,STEP
2025-06-11 14:12
FESTO气缸DNC-80-50-PPV-A-C180---_asm_0_
STP
2025-04-01 22:42
H ROD[300]推力液压缸
SOLIDWORKS
2024-12-22 19:55
伊顿液压元件DG4V-5-C-U-20-AC-ROCK
STP
2025-12-08 10:58
模型报错
模型报错类型:
分类错误
版本错误
雷同或版权问题,重复ID
图片与模型不一致
文件不完整
解压文件打不开或有问题
模型报错描述:
联系方式
提交报错
提示
×
下载该图档需要消耗10金币!
确认下载
我和
会话
发布私信
客服
扫码添加微信客服
签到
分享
TOP