加载中
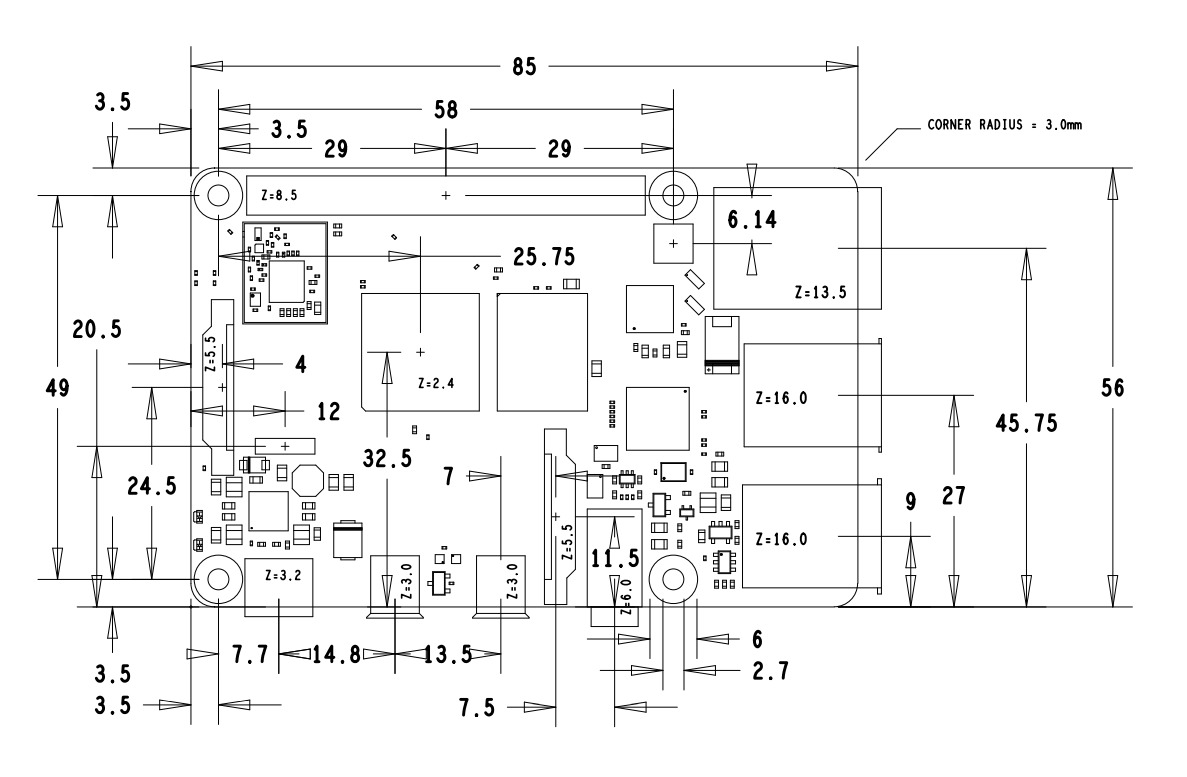
树莓派4B型号(ID:848624)
免责申明: 本网站模型由用户自行上传,如权利人发现存在误传其作品情形,请及时与本站联系。
立即下载
此图纸下载需要10金币
图纸ID:848624
文件大小:1.25M
软件版本:SOLIDWORKS 2024
图纸格式:sldprt
参数/编辑:可修改,包括参数
上传时间:2026-03-07
图纸介绍:
发布者
屿双网gqns
作品: 20
粉丝: 0
作者其它图纸
查看更多
激光打码机构
SOLIDWORKS,STEP,PARASOLID
2025-12-11 15:59
传送带
SOLIDWORKS
2025-09-19 09:50
电热水壶
SOLIDWORKS
2025-12-26 05:48
轮毂电机
SOLIDWORKS
2024-11-15 14:30
密封圈上料机构
SOLIDWORKS,STEP,PARASOLID
2025-12-11 15:53
双转盘串联视觉检测机构
SOLIDWORKS,STEP,PARASOLID
2025-12-13 04:44
2轴太阳能电池板跟踪
SOLIDWORKS
2025-04-08 22:04
猜你喜欢
CH-72415快速夹钳
STEP
2024-06-26 21:45
Tray 上下料搬运模组
SOLIDWORKS
2024-08-01 14:24
光纤T头
STEP
2023-12-25 22:23
YLRE20-C1扁铝管塞
STEP
2024-12-07 21:14
K0253-多功能储存工具车
SOLIDWORKS
2024-08-02 23:41
BZ2400X10000板喂机总图
AUTOCAD
2024-02-20 00:04
8款治具3D图纸
PARASOLID
2025-03-12 07:19
在线式锁螺丝机7
SOLIDWORKS
2024-03-11 22:28
提示
×

下载该图档需要消耗10金币!

确认下载
客服
TOP